初中生100元150的小旅馆,上海海选外卖qq,上海419魔都花园,昆明喝茶服务2025

检测报告检测标准产品吊牌
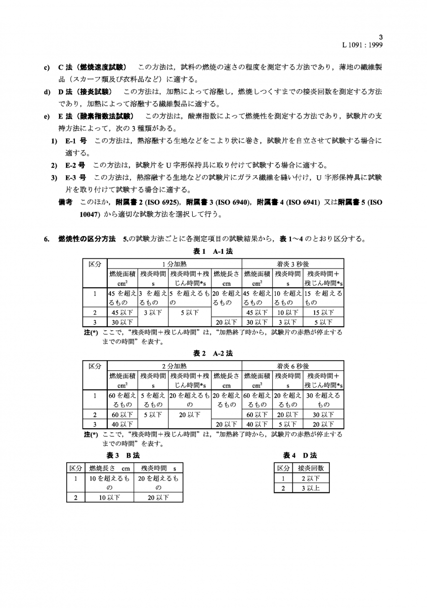
JIS L1091:1999 Testing methods for flammability of textiles

 

上海洁宜康化工科技有限公司 版权所有(C)2022 网络支持 中国化工网 全球化工网 生意宝 网盛建站 著作权声明
备案号:沪ICP备14004632号-3

沪公网安备 31010502006385号