初中生100元150的小旅馆,上海海选外卖qq,上海419魔都花园,昆明喝茶服务2025
官网首页
/ home
走进洁宜康
/ about us
关于洁宜康
发展历程
荣誉证书
新闻中心
展会风采
产品中心
/ products
功能性助剂
功能性母粒/添加剂
功能性纤维/纱线
澳大利亚HealthGuard
®
产品检测
/ testing
检测报告
检测标准
产品吊牌
应用领域
/ application
床上用品
室内纺织品
服装
防护用品
户外产品
日用品
无纺布/过滤材料
化纤功能母粒
技术交流
/ Technical
技术论文
技术服务
视频资料
常见问题
联系我们
/ contact
中文
/
english
/
日本語
服务热线:021-5280-8376
中文
|
English
|
日本語
首页
走进洁宜康
关于洁宜康
发展历程
荣誉证书
新闻中心
展会风采
产品中心
功能性助剂
功能性母粒/添加剂
功能性纤维/纱线
澳大利亚HealthGuard
®
产品检测
检测报告
检测标准
产品吊牌
应用领域
床上用品
室内纺织品
服装
防护用品
户外产品
日用品
无纺布/过滤材料
化纤功能母粒
技术交流
技术论文
技术服务
视频资料
常见问题
联系我们
联系我们
人才招聘
在线留言
检测报告
检测标准
产品吊牌
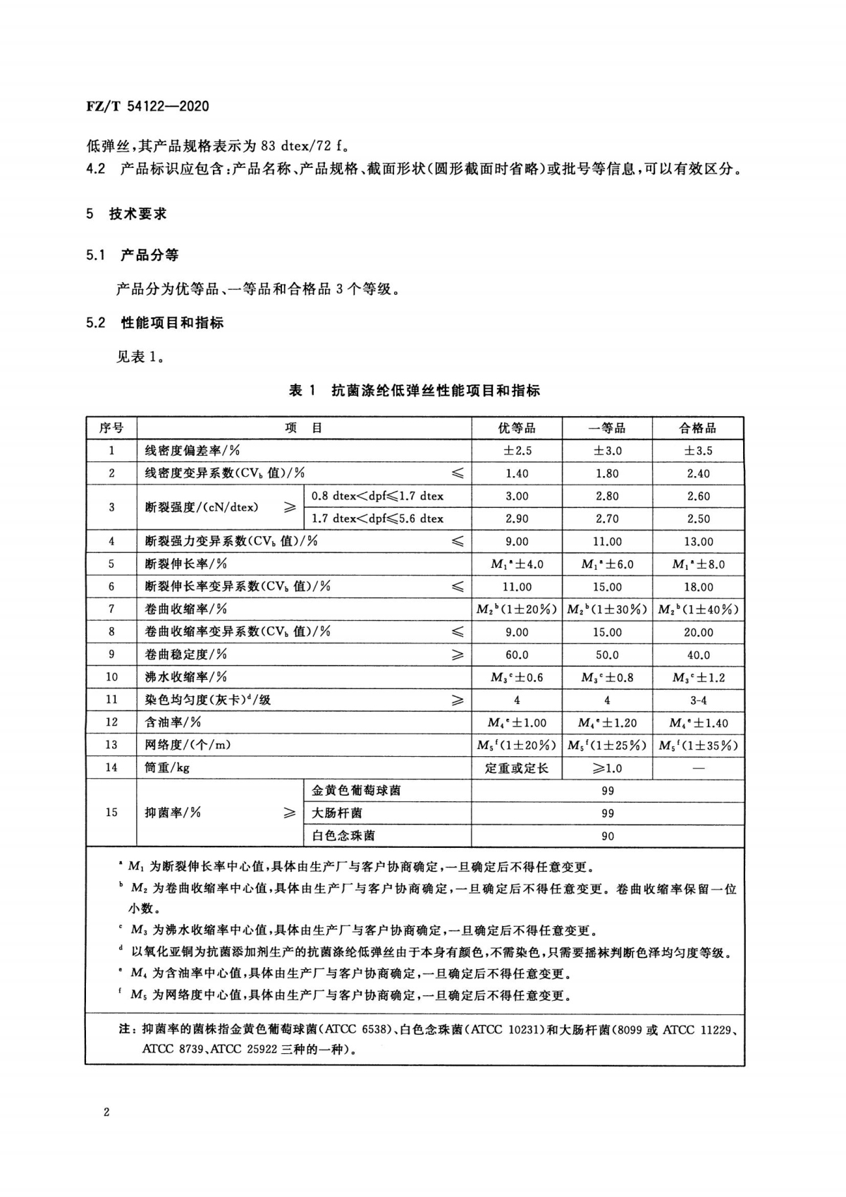
FZ/T 54122-2020 抗菌涤纶低弹丝
上一个
返回上一级
下一个
走进洁宜康
关于洁宜康
发展历程
荣誉证书
新闻中心
展会风采
产品中心
功能性助剂
功能性母粒/添加剂
功能性纤维/纱线
澳大利亚HealthGuard
®
产品检测
检测报告
检测标准
产品吊牌
应用领域
床上用品
室内纺织品
服装
防护用品
户外运动
日用品
无纺布/过滤材料
化纤功能母粒
技术交流
技术论文
技术服务
视频资料
常见问题
联系我们
联系我们
人才招聘
在线留言
公众号
官网
全国服务热线
021-5280-8376
上海洁宜康化工科技有限公司
版权所有(C)2022 网络支持
中国化工网
全球化工网
生意宝
网盛建站
著作权声明
备案号:沪ICP备14004632号-3
沪公网安备 31010502006385号